| Availability: | |
|---|---|
| Quantity: | |
Product Description
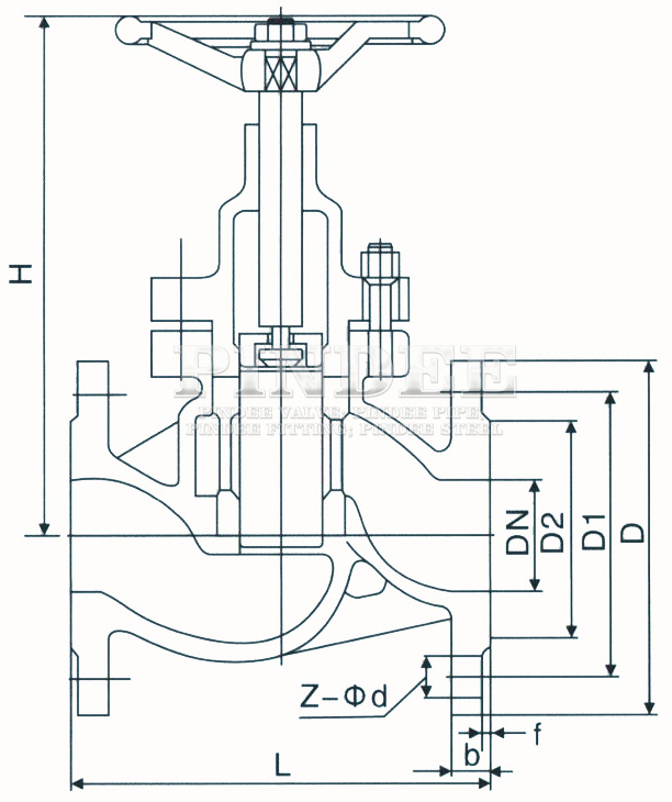
Design&Manufacture | Face to Face | Flange Dimension | Pressure&Temperature | Test & Check |
GB/T12235 | GB/T12221 | JB/T 79 | GB/T12224 | GB/T9092 |
Nominal Pressure | 1.6 | 2.5 | 4.0 | 6.4 | 10.0 | 16.0 |
Shell Strength Test | 2.4 | 3.8 | 6.0 | 9.6 | 15.0 | 24.0 |
Bacd Seat Test | 1.8 | 2.8 | 4.4 | 7.0 | 11.0 | 18.0 |
Seat Test | 1.8 | 2.8 | 4.4 | 7.0 | 11.0 | 18.0 |
Technical Parameters

No. | Part Name | Carbon Steel | Alloy Steel | Stainless Steel |
1 | Body | ASTM A216 WCB | ASTM A217-WC9 | ASTM A351 CF8M |
2 | Disc | ASTM A182 F6a | ASTM A182-F22/STL.OVERLAY | ASTM A182 F316 |
3 | Disc Sleeve | ASTM A182 F6a | ASTM A182-F22/STL.OVERLAY | ASTM A182 F316 |
4 | Stem | ASTM A182 F6a | ASTM A182 F6a | ASTM A182 F316 |
5 | Bellow Seal | ASTM A276 304 | ASTM A276 304 | ASTM A276 316 |
6 | Bonnet Gasket | Soft Iron | Soft Steel | ASTM A276 316 |
7 | Bonnet | ASTM A216 WCB | ASTM A217-WC9 | ASTM A351 CF8M |
8 | Bolt | ASTM A193 B7 | ASTM A193 B16 | ASTM A193 B8 |
9 | Nut | ASTM A194 2H | ASTM A194 4 | ASTM A194 8 |
10 | Packing | SS316+Graphile | SS316+Graphile | SS316+Graphile |

The illustration of design features of cast steel globe valve
Design/Inspection standards: API 6D, API 600, ASME B16.34, BS EN13709, BS 1873, ASME B16.10, ASME B16.5.
(1) Handwheel operated with OS&Y and rising stem.
(2) Gland eyebolts are applied to facilitate packing maintenance and easy dismantling.
(3) Body/Bonnet joint design: male and female matching joint for 150LB~600LB; metallic ring gasket seal for 900LB and above.
(4) T-shaped anti blow-out stem design.
(5) Plug-shaped disc and seating face design allows particular flow characteristic.
(6) Seating surface shall be hardened by stellite 6 overlay.
Pindee Globe Valve Manufacture

Application:
1.Chemical industry;
2.Metallurgy;
3.Power;
4.Paper-making;
5.Pharmacy;
6.Food;
7.Water-treatment.